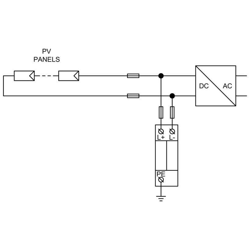
Direct gebouwde DC-bescherming voor PV-arrays.
Deze type 2 piekstijgers beschermen PV -snaren, bussen en omvormeringangen tegen tijdelijke overspanningen veroorzaakt door bliksemgebeurtenissen of schakelactiviteiten. Ze zorgen voor equipotentiële binding van zowel positieve als negatieve PV -busbars en helpen het systeem uptime te behouden over alle bliksembeveiligingsniveaus (LPL I - IV).
U- of Y -verbinding - Kies wat uw ontwerp nodig heeft.
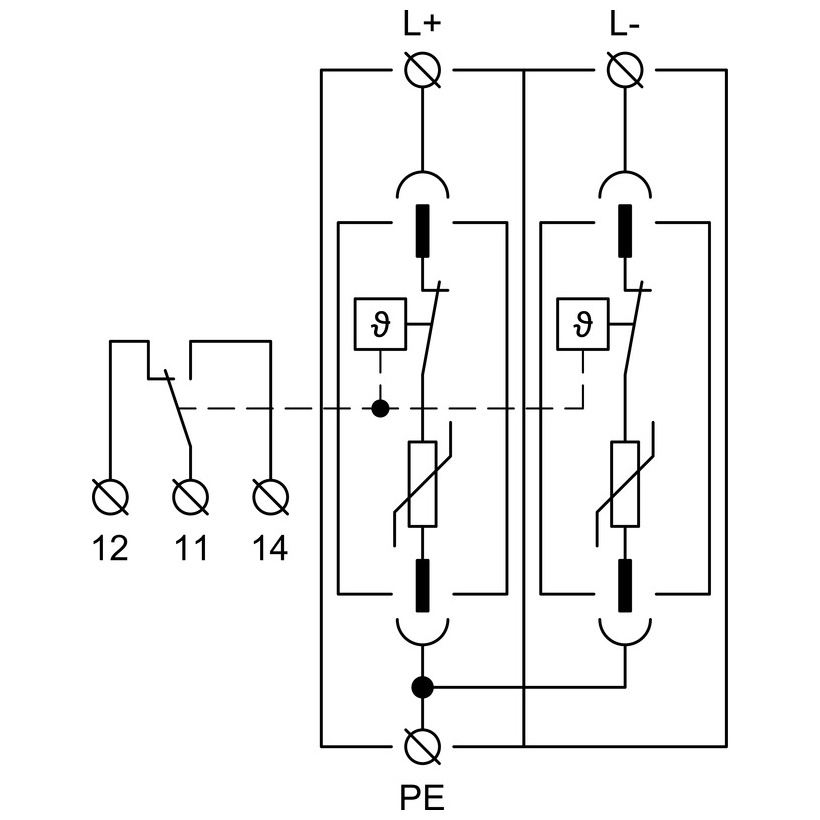
U -verbinding: conventionele beschermingstopologie voor PV DC -circuits.
Y -verbinding: Varistors gerangschikt naar PE, zodat de werkende geleiders resistent blijven tegen de aarde en er is nul resterende (lekkage) stroom door de PE -geleider, het verbeteren van EMC -gedrag en het minimaliseren van hinderlijke huidige paden.
Ingebouwde veiligheid-geen back-up zekering vereist.
Bepaalde varistorsectoren tussen L+, L- en PE worden elk uitgerust met interne thermische ontkoppers. Wanneer een varistor het einde van het leven bereikt (oververhit), struikelt de disconnector, die zichtbaar een fout aangeeft en DC-stroom onderbreekt. Dankzij hun speciale constructie kunnen deze arresters worden geïnstalleerd zonder een afzonderlijke back-upzekering (onder voorbehoud van systeemcoördinatie).
Flexibele implementatie met of zonder externe LPS.
Installeer aan de DC -zijde van PV -systemen zonder een extern bliksembeveiligingssysteem (LPS) of met een LPS wanneer de vereiste scheidingsafstand "S" wordt gehandhaafd. Dit ondersteunt een veilige integratie bij zowel nieuwe builds als retrofits.
Service- en monitoringopties.
M indicatie: versie met een verwijderbare (plug-in) beschermingsmodule voor snelle vervanging.
S -indicatie: versie met externe monitoringcontact voor statussignalering naar SCADA/PLC/Alarm -relais.
Typische toepassingen
PV-snaren, combiner/re-combiner-dozen en DC-ingangen van de omvormer
Hulpprogramma-schaal, commerciële en industriële PV-installaties
Sites met of zonder externe LPS waar scheidingsafstand "S" wordt waargenomen
Belangrijke kenmerken in één oogopslag
Type 2 Surge Arester voor PV DC -systemen (U- of Y -verbinding)
Y Verbindingsvoordeel: aardbestendige werkende geleiders en nul PE-lekkage
Interne thermische ontkopporen op varistorpaden (L+, L-, PE)
DC huidige onderbreking van fout; Geen back-up zekering vereist
Geschikt voor alle LPL -niveaus; Ondersteunt equipotentiële binding
M = verwijderbare module; S = contactpersoon op afstand

